Bild 2-2a
|
Anhand der 3-Wege-TML Box
 soll hier einmal exemplarisch die
Entwicklung einer optimalen individuell angepassten passiven Frequenzweiche beschrieben werden.
Die nachfolgende Darstellung ist als praktischer Leitfaden für die Entwicklung
passiver Frequenzweichen und nicht als eine Art "Kochrezept" zu verstehen.
Ausgangsbasis
Da es hier lediglich um die Dokumentation der Entwicklung einer Frequenzweiche geht, sei
zunächst vorausgeschickt, dass das Gehäuse bereits fertig entwickelt und
Basis dieser Abstimmung ist. D.h. alle Messdaten der Chassis wurden im jeweils
konkreten Gehäuse erfasst, da Gehäuseform, -art und Volumen einen erheblichen
Einfluss auf den Pegel- und Impedanzverlauf der Chassis haben. Die
Darstellung der Zusammenhänge der Einflüsse von Gehäusen
auf die Frequenzgänge würde den Rahmen dieser Dokumentation
sprängen, diesbezüglich muss daher auf die entsprechende Literatur
verwiesen werden.
Die 
ist eine Standbox mit TML-Schallführung für den Basslautsprecher
und einem geschlossenen Gehäuse von 0,5 Liter Nettovolumen für den Mitteltöner.
Der Hochtöner wird ohne eigenes Gehäuse direkt in der Schallwand verbaut.
|
Bestückt ist die

mit einem
Westra KW-2001398 8 Ohm
8 Zoll Tieftöner, einem
Vifa M10MD-39-8 8Ohm
4 Zoll Mitteltöner und einem
Vifa XT25BG51-04 4 Ohm
(nahezu baugleich mit XT25BG60-04) 1 Zoll Dual-Ring-Radiator-Hochtöner. Die nachfolgenden Messungen erfolgten mit 2,83V/m im Gehäuse der

ohne Beschaltung und zeigen die einzelnen Pegel- und Impedanzfrequenzgänge
der Chassis.
Bild 3 Schalldruckfrequenzgänge aller in der

eingebauten Chassis ohne Beschaltung
"Eckpunkte" der Weiche
Als erstes ist nun festzulegen, welche Frequenzabschnitte den einzelnen Zweigen zugeteilt werden,
mit welcher Filtercharakteristik und welcher Filterordnung die Frequenzweiche arbeiten soll.
Die jeweils tiefste Trennfrequenz wird in erster Linie durch die mechanische Belastungsgrenze
des Chassis bedingt. Aus der Größe der Membranefläche und des maximalen linearen Hubes
eines Lautsprecher ergibt sich der maximal erreichbare Pegel bei einer gewünschten Frequenz.
Je tiefer die Frequenz desto geringer ist der maximal Pegel jedes Chassis.
Für eine solide Hifi-Box wie der

ist ein Maximalpegel von ca. 100-103 dB/m meist völlig ausreichend.
Unter Berücksichtigung der jeweiligen Chassisdaten der Mittel- und Hochtöner
wären Trennfrequenz von ca. 350Hz - 450Hz und 3000Hz - 4000Hz vernünftig.
Als Filtercharakteristik (Butterworth, Bessel, Linkwitz etc.) bietet m.E. die nach Linkwitz die meisten
Vorteile, wobei hinsichtlich der Flankensteilheit aus Gründen des Verhältnisses von Bauteilaufwand
und Sperrwirkung zunächst Filter 2. Ordnung gewählt werden. Eine Erklärung der Unterschiede der verschiedenen Filtertypen und -funktionen und
die Vor- und Nachteile von sog. Konstant-Leistungs- und Konstant-Spannungs-Weichen sowie der Aspekt
einer "zeitrichtigen" Wiedergabe von Mehrwegesystem sprengen den
hiesigen Rahmen, so daß auf die diesbezügliche
Literatur verwiesen werden muss.
Theoretische Berechnung der Frequenzweichenbauteilwerte
Berechnet man nun auf dieser Basis eine 3-Wege-Frequenzweiche nach den Standardformel
und unter Annahme der jeweiligen Chassisnennimpedanzen von 8 Ohm für den
Tief- und
Mitteltöner sowie
4 Ohm für den
Hochtöner
, Linkwitz-Filtercharakteristik 2.Ordnung
mit 400 Hz und 4000Hz Trennfrequenzen ergäbe sich folgendes (theoretisches) Weichenschaltbild.
Bild 4
Diese Frequenzweiche ergäbe dann an konstanten ohmschen Widerständen folgende Pegelverläufe.
Bild 5
Tief-,
Mittel-,
Hochton- und
Gesamtpegelverlauf der Weiche (Bild 4) an konstanten ohmschen Lasten
Ersetzt man nun jedoch die theoretischen bei der Berechnung der Weiche angenommenen ohmschen
Lasten durch die realen Impedanzen und berücksichtigt zudem die eigenen akustischen Wiedergabeeigenschaften der Lautsprecherchassis der

führt dies im hiesigen Fall zu folgenden akustischen Pegelverläufen.
Bild 6
Tief-,
Mittel-,
Hochton- und
Gesamtpegelverlauf der Weiche nach Standardformeln (Bild 4)
an den realen Lautsprecherchassis der
Diese Pegelverläufe, sowohl der einzelen Weichenzweige als auch der Summe, zeigen ein
katastrophales Bild und nicht einmal im Ansatz eine Ähnlichkeit mit einer
12dB-Linkwitzweiche. Eine exakte Zuweisung der einzelnen Übertragungsbereiche an die
Lautsprecher ist nicht zu erkennen. Nicht nur, dass sich die Eckfrequenzen der Filter
zu völlig anderen Frequenzbereiche verschoben haben, sondern auch die Filterverläufe haben
vollkommen andere als gewollt angenommen.
"Was ist schief gelaufen?" Ich habe mich jedoch weder bei der Bestimmung der
Bauteilwerte verrechnet noch arbeitet das zur Darstellung der Frequenzgänge
verwendete Simulationsprogramm falsch. Mit der "Berechnung" von passiven
Frequenzweichen ist es so eine Sache. Eine
einfache allgemeine Berechnungsmethode einer passiven Frequenzweiche, die stets auch in der Praxis
selbst bei nur weniger hohen Qualitätsansprüchen hinreichend
zufriedenstellende akustische Ergebnisse liefert, gibt es nicht! Die Standardformeln gehen realitätsfern
von einer konstanten Impedanz und einem linearen Pegel- und Phasenfrequenzgang des
Chassis aus. In der Praxis haben aber alle Lautsprecher-Chassis ein mehr oder
weniger komplexes Phasen- und Amplitudenverhalten und zwar sowohl in
elektrischer als auch in akustischer Hinsicht (siehe
Bild 3 oben). Die Entwicklung
guter Frequenzweichen ist daher nur unter Einbeziehung der komplexen Impedanz und des
akustischen Pegel- und Phasenfrequenzganges möglich. Ohne Messungen der Lautsprecherchassis
und speziellen Computerprogrammen lässt sich eine gute Weiche allenfalls bei Vorhandensein umfassender Erfahrung und mit extremen Zeitauswand nur nach dem Prinzip
"Versuch und Irrtum" entwickeln.
Noch einmal ein neuer Versuch
Wie bereits erwähnt benötigen passive Frequenzweichen in der Regel für eine korrekte
Funktion eine konstante Abschlussimpedanz. Fast alle dynamischen Lautsprecher weisen
jedoch eine sehr frequenzabhängige schwankende Impedanz auf. Die Chassis der

zeigen in der Box folgende Impedanzverläufe.
Bild 7
Tief-,
Mittel-,
Hochtonimpedanzverlauf ohne Beschaltung in der
Nicht nur die in Bild 4 ersichtlichen Pegelfrequenzgänge der Chassis ohne Beschaltung, sondern auch die
Impedanzgänge zeigen für aller Chassis einen sehr unterschiedlichen Verlauf.
Dies hat zur Folge, dass für jedes Chassis und Zweig eine individuelle Anpassung
der Weiche erfolgen muss.
Entwicklung des Bassweichenzweiges
Betrachtet man zunächst den Impedanzgang des Tieftöners so sind im unteren Frequenzbereich
zwei ausgeprägte Resonanzen mit Spitzenimpedanzwerten von über 30 Ohm zuerkennen.
Nur zwischen ca. 150 Hz und 450 Hz entspricht die Impedanz in etwa der Nennimpedanz des Chassis
von 8 Ohm. Oberhalb dieses Bereichs steigt die Impedanz des Tieftöners aufgrund der sich nun verstärkt
auswirkenden Induktion der Schwingspule wieder kontinuierlich an um bei ca. 20 kHz Werte von über 30 Ohm
zu erreichen.
Der Anstieg der Impedanz oberhalb der Grundresonanzen lässt sich relativ einfach
durch ein sog.
Zobelglied (RC-Glied)
parallel zum Tieftöner kompensieren. Das Zobelglied besteht aus einem Kondensator in Reihe mit einem
Widerstand. Die theoretischen Werte der Bauteile errechnen sich wie folgt:
Rz = Re und
Cz = Le / Re2. Da die Schwingspuleninduktion in der Regel aber keinen einer einfachen Luftspule gleichen
Impedanzverlauf zeigt, ergeben sich in der
Praxis für Rz Werte
von etwa 120% - 150% von Re und für
Cz Werte von ca. 50%-100% des theoretischen
Cz Wertes.
Für die

ergab sich mit 10 Ohm und 15µF ein schon recht gleichmäßiger
Impedanzgang oberhalb der Grundresonanz.
Bild 8
Bild 9
Tieftönerimpedanzverlauf
mit RC-Glied
Statt mit einer Schwankung zwischen 7 Ohm und über 30 Ohm verläuft die
Impedanz oberhalb der Grundresonanzen nun mit einer Schwankungsbreite von unter 1 Ohm auf ca. 7,5 Ohm.
Dies sollte eine hinreichend gleichmäßige Lastimpedanz für passive Filter darstellen. Daher kann man
nun einen Linkwitz-Tiefpassfilter 2.Ordnung und einer Trennfrequenz von 400 Hz für eine Last von
7.5 Ohm berechnen. Als Ergebnis ergeben sich für die Tiefpassspule ein Wert 5,97 mH
und für den Kondensator ein Wert von 26,5 µF. Da beide Werte keine Standardwerte der E-12-Reihe
sind, muss man entweder die Werte durch Anpassung der Standardspulenwerte auf das gewünschte Maß und
durch paralleles Verschalten entsprechender Kondensatoren herbeiführen oder auf Werte der E-12-Reihe
zurückgreifen und sehen wie sich dies auswirkt. Der nächstliegende Normwerte der Spule beträgt 6,8 mH.
Betrachtet man sich nun einmal den Pegelverlauf des Tieftöners so fällt ein leichter Anstieg zu
höheren Frequenzen auf. Da dieser Anstieg für ein lineares Übertragungsverhalten sowieso durch die
Weiche ausgeglichen werden sollte, kommt hierzu der etwas größere Spulenwert von 6,8 mH gerade
recht. Für den Kondensator wurde mit 33 µF der nächste Normwert ausgewählt. Die Weiche im Tieftonzweig
sieht damit nun wie folgt aus:
Bild 10 Schaltung des
Basszweiges
mit RC-Glied und 12-dB-Weiche
Mit diesem Filter ergibt sich im Tieftonzweig dann folgender Pegelverlauf:
Bild 11 Frequenzgang des
Basszweiges
mit RC-Glied und 12-dB-Weiche
Der Pegelverlauf entspricht schon fast dem angestrebtem Filterverhalten, der -6dB-Eckpunkt liegt
bei ca. 400 Hz und der Verlauf entspricht im wesentlichen dem eines Linkwitz-Tiefpasses 2.Ordnung.
Allerdings fällt bei ca. 60-80 Hz eine unerwartete Pegelanhebung ins Auge. Da hier die
Pegelüberhöhung keine allzu dramtische Ausmaße hat und Raumeinflüsse im
gleichen Frequenzbereich größere Auswirkungen haben können, wird zunächst auf eine Entzerrung der
Bassimpedanz verzichtet. Weiter
unten werden die Gründe für und Abhilfemaßnahmen
gegen solche Pegelüberhöhungen noch detailliert dargelegt.
Der Mitteltonzweig
Der Mitteltonzweig weißt entgegen dem des
Bass- und
Hochtonzweiges einen sog. Bandpass auf, d.h. der Frequenzgang
wird unten durch einen Hochpass und in oberen Frequenzbereich durch einen
Tiefpass begrenzt. Der Frequenzgang des unbeschalteten Mitteltöners im Gehäuse
der

(
Bild 3) zeigt von 280 Hz bis über 5 kHz einen
sehr linearen Verlauf. Der Impedanzgang des Mitteltöners hingegen zeigt wie auch
bereits der des Tieftöners den typischen Verlauf eines dynamischen Lautsprechers mit
einer recht stark ausgeprägten Grundresonanz hier um ca. 250 Hz und einem
kontinuierlichen Anstieg mit ca. 20 Ohm bei 20 kHz.
Auch hier wird zunächst der Impedanzanstieg zu hohen Frequenzen hin mittels eines
Zobelgliedes (RC-Glied) kompensiert. 8,2 Ohm in Reihe mit 4,7 µF glätten die Impedanz
ab ca. 500 Hz auf ca. 7 Ohm.
Bild 12 RC-Glied des
Mitteltonzweiges
Bild 13 Impedanz- u. Pegelfrequenzgang des
Mitteltonzweiges
mit RC-Glied
Da der Pegel des Mitteltöners etwa 6dB über dem mittleren Pegel des Basszweiges liegt, wird nun
ein entsprechender Spannungsteiler eingesetzt. Der parallel zum Mitteltöner liegende Widerstand
bewirkt neben der Pegelreduktion eine sehr starke weitere Glättung der Chassisimpedanz, so
dass die Grundresonanz nur noch sehr schwach in Erscheinung tritt;
Z2 = RS + Zc x Rp / (Zc + Rp)
Pegel2 = Pegelc x
(Z2 - Rs)/ Z2
Bild 14 RC-Glied und Spannungsteiler des
Mitteltonzweiges
Bild 15 Impedanz- u. Pegelfrequenzgang des
Mitteltonzweiges
mit RC-Glied und Spannungsteiler
Die Impedanz hat nun Werte um ca. 7,2 Ohm und die Grundresonanz ist mit einer Spitze von nur
noch 8,5 Ohm ausreichend bedämpft, so dass die Impedanz für die Mitteltonweiche hinreichend linear ist.
Sollte im Zuge der Weichenentwicklung eine (weitere) Anpassung des Mitteltonpegels erforderlich werden,
ließe sich dies durch entsprechende Änderung der Spannungsteilerwiderstände recht einfach bewerkstelligen. Durch
die richtig Dimensionierung der Werte bliebe dabei auch die Lastimpedanz für die vorzuschaltenden Filter
weitestgehend unverändert, die Pegeländerung erfolgt linear.
Ein elektrischer Linkwitz-Hochpassfilter 2.Ordnung mit einer Eckfrequenz von 400 Hz und einer
Lastimpedanz von ca. 7 Ohm ergebe folgende Beschaltung.
Bild 16 RC-Glied, Spannungsteiler und "Standard"-HP
des
Mitteltonzweiges
Bild 17 Impedanz- u. Pegelfrequenzgang des
Mitteltonzweiges
mit RC-Glied, Spannungsteiler und "Standard"-HP
Der Filter zeigt nun aber trotz der geglätteten Impedanz nicht den erwarteten Verlauf. Die zum
Vergleich
eingeblendete Kurve eines 400 Hz Linkwitz-Hochpassfilters 2. Ordnung macht die erhebliche Abweichung
mehr als deutlich. Zwar verläuft der Pegel bis etwa 300 Hz wie er soll unterhalb dieser Frequenz fällt der
Pegel jedoch mit ca. 24 dB anstatt wie gewollt mit 12 dB pro Oktave ab. In Bild 18 ist nun auch deutlich ersichtlich,
dass zwischen Bass- und Mitteltonzweig nicht annähernd ein symmetrischer spiegelbildlicher Pegelverlauf
gegeben ist. Eine korrekte Addition beider Signale kann so nicht eintreten, zumal auch die Phasenlagen
der einzelnen Zweige nicht zueinander passen.
Bild 18
Mitteltonzweig
mit RC-Glied, Spannungsteiler und "Standard"-12-dB-HP
u.
Basszweiges
mit RC-Glied und 12-dB-Weiche
Ursache für diesen Pegelverlauf (Bild 17) ist das "Eigenleben" des Mitteltonchassis selbst.
Der Mitteltöner zeigt (wie jeder dynamische Lautsprecher) ein eigenes Hochpassverhalten.
Diese chassiseigene Hochpassfunktion addiert (mathematisch multipliziert) sich nun mit der
Funktion des vorgeschalteten elektrischen Hochpasses. Das Ergebnis führt zu einer neuen Filterfunktion,
einem Hochpass 4. Ordnung. Dies ist deutlich in Bild 17 zu sehen.
Für die Praxis heißt dies, dass in der Regel kaum Weichen mit einer
echten akustischen Flankensteilheit von 12 dB/Oktave, also
echte akustische Filter 2. Ordnung realisiert werden können.
Ausnahmen sind manchmal nur
dann möglich, wenn die Resonanzfrequenz des eingebauten Chassis
f
c mindestens 2 bis 3 Oktaven unterhalb der
Trennfrequenz und Q
c etwa zwischen 0,7 und 1 liegt.
Ein Ausweg aus diesem Dilemma ist die durchgehende Verwendung von akustischen Filtern
höherer Ordnung. Für Lautsprechersystem bieten sich daher
akustische Linkwitzfilter 4. Ordnung an. Diese weisen bei der Eckfrequenz
einen Pegelabfall von 6 dB, eine Phasenlage von +/- 180 Grad und einen sehr flachen Phasenverlauf auf und
sind damit sehr gut geeignet.
Wie bereits erwähnt setzt sich das akustische Filterverhalten aus dem Produkt der akustischen
Chassisfunktion und dem vorgeschalteten Hochpassfilter zusammen. Der Mitteltontreiber hat hier
eine Resonanzfrequenz von ca. 250 Hz bei einer Güte von ungefähr 0,9.
Als Ergebnis wird eine akustische Hochpassfunktion 4.Ordnung mit einer Güte von ca. 0,5 und
einer Eckfrequenz zwischen 350 Hz und 400 Hz gesucht.
Ein elektrischer Filter 2. Ordnung mit einer Eckfrequenz von ca. 530 Hz und einer Güte
von 0,78 (C= 33µF, L= 2,7 mH) ergibt hier einen zusammengesetzten Filter 4. Ordnung
mit einer Eckfrequenz von 350 Hz und einer
Gesamtgüte von ca. 0,5. Die im nachfolgenden Bild zum Vergleich eingeblendeten Kurven eines
normierten Linkwitzfilters 4.Ordnung zeigen die sehr gute Näherung des Pegel- und auch
Phasenverlaufs des synthetisierten Filters.
Bild 19
Mitteltonzweig
mit optimierten Hochpassfilter
Bild 20
Mitteltonzweig
optimierte Hochpassfilter (Vergleichgraphen
Pegel und
Phase)
Die nunmehr zum Tiefpass des Basszweiges abweichenden Trennfrequenz als auch der steilere
Filterverlauf des Mitteltonzweig macht eine Anpassung der Weiche des Tieftonzweiges
erforderlich. Details hierzu werden weiter
unten dargelegt.
Im Mitteltonzweig ist nun noch der Hochpass durch einen Tiefpass zu einem Bandpass zu ergänzen.
Wie bereits oben erläutert wird auch das Hochtönerverhalten bei der ins Auge
gefassten Trennfrequenz kaum als sauberer akustischer Hochpass 2. Ordnung zu realisieren sein,
so dass der erforderliche Tiefpass des Mitteltonzweiges auch gleich als akustischer
Tiefpass 4. Ordnung auszulegen ist.
Auch bei der Auslegung des elektrischen Tiefpasses des Mitteltonzweiges ist das
Übertragungsverhalten des Chassis zu berücksichtigen. Der hier verwendete
Mitteltöner verläuft aber entgegen vieler anderer
Chassis weit über den geplanten Einsatzbereich hinaus sehr linear. Die bei
Konustreiber fast immer vorhandene chassiseigene Tiefpassfunktion 1. bis 2. Ordnung zeigt
sich hier erst bei Frequenzen oberhalb von ca. 12 kHz. Aufgrund der Bündelung und der
leichten Welligkeit des Frequenzganges im oberen Bereich (siehe Bild 20) soll der Mitteltöner
jedoch bereits bei ca. 3-4 kHz abgekoppelt werden. Um auch zwischen Mittel- und Hochtöner
eine gute Signaladdition zu ermöglichen, ist zur Realisierung eines akustischen Tiefpasses
4. Ordnung aufgrund des Übertragungsverhalten des hier verwendeten
Mitteltöners somit auch ein elektrischer Filter 4. Ordnung erforderlich.
Nach Standardformel berechnet sich ein Linkwitz-Tiefpassfilter 4. Ordnung für eine Eckfrequenz
von 3800 Hz und einer Lastimpedanz von 7 Ohm wie folgt:
Bild 21
Mitteltonzweig
mit Bandpass
Bild 22 Frequenzgang bei vorstehender Beschaltung (Vergleichgraphen
Soll und
Chassis + Weiche)
Durch leichte Anpassung einzelner Bauteilwerte lässt sich das Übertragungsverhalten noch etwas weiter
an das erstrebte Ideal annähern. WinBoxSimu bietet mit dem programmeigenen automatischen
"Bauteiloptinierer" auch das passende Werkzeug um die Bauteilwerte der gesuchten akustischen
Funktion bequem anzunähern.
Bild 23 optimierte Weichenschaltung des
Mitteltonzweiges
Bild 24
Mitteltonzweig mit
optimierter Weichenschaltung (
Pegel und
Phase)
Der Mitteltöner zeigt mit dem vorstehenden Zweig der Weiche jetzt ein
fast perfektes Bandpassverhalten.
Bandpassvarianten:
Bei genauer Betrachtung der Bandpassschaltung fällt auf, dass hier der Tief- und
Hochpassfilter nicht wie oft üblich hintereinander, sondern verschachtelt geschaltet
sind. Diese Anordnung der Bauteile von Tief- und Hochpassfilter hat gegenüber der
üblichen Reihenschaltung der Filter deutliche Vorteile. Bei Reihenschaltung von
Tief- und Hochpassfiltern, insbesondere bei Filtern höherer Ordnung, kommt es
zwischen den Filterteilen zu mehr oder weniger starken Koppelungen und
Teilresonanzen, die sich u.a. in einem unlinearen Übertragungsverhalten zeigen.
Je kleiner die Bandbreite des Bandpasses - d.h. je dichter die Eckfrequenzen von Tief- und
Hochpasses nebeneinander liegen - um so stärker ist dieser Effekt ausgeprägt.
Dies kann teilweise sogar dazuführen, das die Signalspannung am Ausgang des
Bandpassfilters deutlich höher liegt als am Eingang. Ursächlich für diesen Effekt ist
ein deutliches Überschwingen des Reihenbandpasses, was am deutlich
höheren Pegel klar abzulesen ist. Dieser höhere Pegel muss i.d.R. dann
wieder zusätzlich durch den Spannungsteiler abgesenkt werden. Des weiteren ist
bei Reihenschaltung von Tief- und Hochpassfiltern zu beobachten, dass sich
die Eckfrequenzen zu anderen verschieben und die Flankenverläufe eine andere Steilheit zeigen.
Durch eine Verschachtelung der Bauteile der Tief- und Hochpassfilter - wie im Bild 23 -
lassen sich all diese Effekte vermeiden oder aber wenigsten sehr stark reduzieren.
Das nachfolgende Schaltbild (Bild 23a) zeigt den Bandpass mit alternativer
Reihenschaltung, die Bauteilwerte weichen hier erheblich von der Schaltung in Bild 23 ab.
Bild 23a
Mitteltonzweig
mit alternativen Reihenschaltungsbandpass
Neben der Frequenzganglinearität spielen aber noch anderen Kriterien, wie das Impulsverhalten und
der Impedanzverlauf eine wichtige Rolle. Da sich nach meinen Erfahrungen verschachtelte Bandpassfilter
insgesamt "
besser" jedenfalls unkomplizierter verhalten, habe ich für die

den
verschachtelten
Bandband gewählt.
In den höchsten Tönen
Als nächstes ist nun die Weiche für den Hochtöner zu entwickeln, wobei der oben beschriebene
Mitteltonbandpass bereits die Eckdaten des Hochtonzweiges festlegt:
Akustischer Linkwitz-Hochpassfilter 4. Ordnung mit einer Eckfrequenz von 3800 Hz.
Auch in Hochtonzweig muss für eine gut passenden akustische Übertragungsfunktion das Verhalten
des Hochtöners berücksichtigt werden. Im

Gehäuse
zeigt der
Vifa XT25BG51-04 4 Ohm
Hochtöner das folgende Frequenzgangverhalten.
Bild 25
Hochtöner
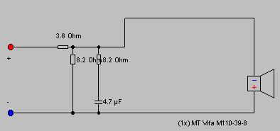
Zunächst wird auch hier der Pegel des Hochtöners an den Pegel der anderen Chassis angepasst.
Der Hochtöner selbst hat eine Nennimpedanz von ca. 4 Ohm. Ein Widerstand von ca. 2,7 Ohm parallel
zum Chassis und ca. 2,2 Ohm hierzu in Serie würden den Pegel des Hochtöners um die erforderlichen
ca. -8 dB absenken und wieder eine neue Gesamtimpedanz von ca. 4 Ohm im Hochtonzweig ergeben.
Die anderen Zweige der Box werden jedoch mit Lautsprechern mit einer Nennimpedanz von ca. 8 Ohm
betrieben. Die Gesamtimpedanz der Box würde ohne Impedanzkorrektur im Hochtonzweig auf ein 4-Ohm-Niveau
abfallen und so die Vorteile einer höherohmigen Box verlieren. Variiert man nun die Widerstände des
Spannungsteilers vor dem Hochtöner so wird es möglich,
sowohl eine Pegelsenkung von ca. -8 dB als auch eine Gesamtimpedanz aus Hochtöner und
Spannungsteiler von ca. 8 Ohm zu erreichen.
Bild 26
Spannungsteiler zur Senkung des Hochtonpegel
Bild 27
Hochtöner mit Spannungsteiler
Der Spannungsteiler bewirkt neben der Pegelabsenkung gleichzeitig wieder
eine recht gute Glättung der Impedanz, sie schwankt nur noch leicht zwischen 7,5 und
9,9 Ohm. An folgenden nach Standardformel berechneter elektrischen Filter 2.Ordnung
Bild 28
Filter nach Standardberechnung
zeigt der Hochtöner das folgenden Frequenzgangverhalten.
Bild 29
Hochtöner mit Filter nach Standardberechnung
Die zum Vergleich eingeblendeten Kurven der Zielfunktion
(Linkwitz Hochpassfilter 4.Ord. 3800 Hz) zeigen noch sehr große Abweichungen und zwar
sowohl hinsichtlich des Pegel- als auch des akustischen Phasenganges.
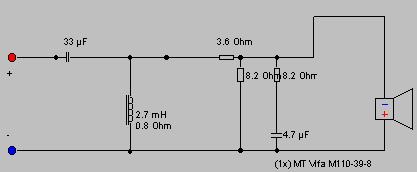
Mit dem nachfolgenden elektrischen Filter 3.Ord.
Bild 30
Filter 3.Ord. nach Standardberechnung
näher sich das Verhalten des Hochtonzweiges dem gewünschten akustischen
Übertragungsverhalten schon recht nahe an.
Bild 31
Hochtöner mit Filter 3.Ord. nach Standardberechnung
Durch leichte Modifikationen einzelner Bauteilwerte
Bild 32
Hochtöner mit modifizierten Filter 3.Ordung
nähert sich das Verhalten des Hochtonzweiges dem gewünschten Übertragungsverhalten
fast perfekt an. Die leicht erhöhte Belastung bei niedrigen Frequenz (<1,5kHz) liegt auf sehr niedrigen
Niveau und kann vernachlässigt werden.
Bild 33
Hochtöner mit Filter 3.Ord. nach Standardberechnung
Die Flanken der Hoch- und Tiefpassfilter verlaufen nahezu perfekt symmetrisch. Und die Phasenlagen liegen über einen sehr weiten Bereich hinreichen "parallel", so
dass das sich aus Mittel- und Hochtöner im Übernahmebereich ergebene Summensignal ein
sehr lineares Frequenzgangverhalten zeigt.
Bild 34
Summen- und Einzelfrequenzgänge von
Hoch- und
Mitteltöner
Bei abschließenden Hörtests wirkte die Hochtonwiedergabe etwas zu zurückhaltend. Eine leichte
Anhebung des Hochtonpegels um 2dB ließ die Box lebendiger erscheinen (jedenfalls in meinem Abhörraum).
Aber dies ist eine reine Geschmackssache. Der endgültige Verlauf des Summefrequenzgang von Mittel- und Hochtöner auf
Achse zeigt das folgende Diagramm.
Bild 35
Summen- und Einzelfrequenzgänge von
Mittel- und
Hochtöner (+2dB)
Anpassungskorrektur des Tieftonzweiges
Wie
oben ausgeführt, muss der Tiefpassfilter des Tieftonzweiges nun noch mal an das Verhalten
des akustischen Hochpassfilters des Mitteltöners angepasst werden. Der akustische Hochpass
aus Mitteltöner und Mitteltonweiche legt auch hier wieder das erforderliche akustische
Tiefpassverhalten fest:
Akustischer Linkwitz-Tiefpassfilter 4. Ordnung mit einer Eckfrequenz von 350 Hz.
Wie bereits oben In Bild 11 ersichtlich, ist für das gewünschte akustische Tiefpassverhalten ein
elektrischer Tiefpassfilter 3. oder sogar 4. Ordnung erforderlich. Auf Grundlage der
geglätteten Impedanz (~ 7,5 Ohm) errechnet sich der nachfolgend abgebildete elektrische
Linkwitz-Filter 4.Ordnung, 350 Hz.
Bild 36
Tiefpassfilter 4.Ordnung nach Standardberechnung
Mit diesen Filter ergibt sich nun (unter
Berücksichtigung von Gleichstromwiderständen der Drosselspulen
von 0,7 Ohm und 0,5 Ohm) aus Filter und Tieftöner folgendes akustisches Gesamtverhalten.
Bild 37
Tiefpassfilter 4.Ordnung nach Standardberechnung
Der zum Vergleich eingeblendete Filterverlauf eines (idealen) Linkwitzfilters 4. Ordnung
bei 350 Hz zeigt, dass mit dem vorstehenden elektrischen Filter schon ein
wesentlich günstigeres akustisches Gesamtverhalten erzielt werden kann als mit dem
zuvor verwendeten elektrischen Filters 2. Ordnung (vergleiche oben Bild 10 und 11).
Allerdings fällt auch hier zunächst bei ca. 60-80 Hz eine unerwartete und sehr deutliche
Pegelanhebung ins Auge. Ursache hierfür ist eine
Koppelung "zwischen der bewegten Masse des Chassis mit der Drosselspule des Tiefpasses".
Die Impedanz des Tieftöners im unteren Frequenzbereich zeigt zwei deutliche Resonanzen.
Die Resonanzen bei ca. 23 Hz und 60 Hz sind dabei das elektrische Abbild der
schwingenden Masse des Tieftöners die von der gegenphasigen Resonanz hier der TML
überlagert wird und so zu der häufig zu sehenden "Kamelhöcker-Impedanz" führte.
Oberhalb dieser oberen Resonanzfrequenz
zeigt der Impedanzverlauf ein sog. kapazitives Verhalten, d.h. zu höheren Frequenz nimmt
der Scheinwiderstand wie bei einem Kondensator ab. Diese Kapazität und die hierzu in
Reihe liegenden Drosselspule des Tiefpasses bilden nun einen Schwingkreis mit hoher Güte und einer
Mittenfrequenz im oberen Bassbereich. Je nach dem welche Werte die "Bauteile" dieses
Schwingkreises annehmen, können sich zum Teil sogar erhebliche Pegelveränderungen im
Übertragungsbereich des Tiefpasses ergeben.
Durch eine Entzerrung der Impedanz lässt sich dieses Problem in den Griff bekommen. Aufgrund der
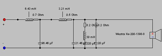
recht großen Bauteilwerte, insbesondere der hohen Induktionswerte, können derartige Entzerrungen
aber sehr schnell so teuer werden, dass aktive bzw. teilaktive Lösungen in Erwägung gezogen werden
können.
Ein Saugkreis (
eine Reihenschaltung aus einen Widerstand, einer Spule und einen
Kondensator) parallel zum Tieftöner kann die Impedanzüberhöhung ausgleichen. Dazu ist jedoch
für jede Resonanz ein eigener speziell abgestimmter Saugkreis erforderlich.
Für die obere Resonanz bei ca. 60 Hz führt der folgende Saugkreis (8 Ohm, 30 mH, 220 µF) schon zu einer sehr
guten Glättung der oberen Bassresonanz und somit zu einer hinreichend linearen Lastimpedanz.
Bild 38
Tieftöner mit Impedanzentzerrung
Bild 39
Tieftöner ohne und mit Impedanzentzerrung
Der vorzuschaltende Tiefpassfilter verhält sich an der geglätteten Impedanz nun schon fast so
wie gewollt.
Bild 40
Tiefpassfilter 4.Ordnung nach Standardberechnung mit Impedanzentzerrung
Bild 41
Tiefpassfilter 4.Ordnung nach Standardberechnung mit Impedanzentzerrung
Die resonanzbedingte Pegelüberhöhung zwischen 60 Hz und 80 Hz ist nun fast
völlig verschwunden. Durch wie nachfolgend ersichtliche weitere leichte Anpassungen
der Filterbauteilwerte
Bild 42
optimierter Tiefpassfilter 4.Ordnung mit Impedanzentzerrung
zeigt dann auch der Tieftonzweig das gewünschte Übertragungsverhalten.
Bild 43
Tieftöner mit optimierten Tiefpassfilter 4.Ordnung mit Impedanzentzerrung
Auch die Flanken der Hoch- und Tiefpassfilter von Tief- und Mitteltöner
verlaufen nun nahezu perfekt symmetrisch.
Und die Phasenlagen liegen auch hier über einen sehr weiten Bereich hinreichend "parallel", so
dass das sich aus Mittel- und Tieftöner im Übernahmebereich ergebene Summensignal ein
sehr lineares Frequenzgangverhalten zeigt.
Bild 44 Summen- und Einzelfrequenzgänge von Tief- und Mitteltöner
Fazit
Passive Frequenzweichen sind nicht einfach nach Standardformel zu berechnen.
Als Grundlage jeder Weichenentwicklung ist die
vollständige elektrische und akustische Vermessung der verwendeten
Chassis unverzichtbar. Ferner hat sich gezeigt, dass passive Frequenzweichen
mit akustischen Filter 1. und 2.Ordnung kaum in der Praxis zu realisieren und für
ein gutes Funktionieren der meisten Filter häufig umfangreiche Impedanzentzerrung
erforderlich sind. Auch (bzw. gerade) bei guten und oft teuren Chassis ist die Qualität
der Frequenzweiche das entscheidende Merkmal für einen guten Klang einer Box.
Vergleicht man nun die auf Basis von Standardformel berechnete
erste Weicheversion mit der endgültigen optimierten Weiche
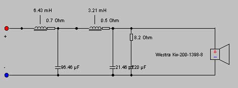
Bild 45 Schaltplan der optimierten Frequenzweiche
so ergeben sich doch erhebliche Abweichungen in der tatsächlichen Beschaltung
(
Schaltplan pdf).
Der Gesamtfrequenzgang der Box als auch der der Einzelzweige zeigen mit der
optimierten Weiche einen sehr linearen Verlauf
und bieten damit eine gute Grundlage für eine sehr hochwertige Wiedergabe.
Bild 46 Frequenzgangverhalten der Big-Eight mit optimierter Frequenzweiche
Das nachfolgende Diagramm zeigt den Frequenzgang mit verpolt angeschlossenen Mitteltöner.
Die sehr tiefen Pegeleinbrüche machen deutlich, dass die Phasen zwischen den Chassis durch die Umpolung
des Mitteltöner bei den Trennfrequenzen mit 180° zueinander liegen und entsprechend im
Übernahmebereich verlaufen. Bei korrekter Polung des Mitteltöners ergibt sich daher eine ideale
Phasenlagen die neben einem linearen Gesamtfrequenzgang auch eine gute räumliche Klangdarstellung
der

garantieren.
Bild 47
Summen- und Einzelfrequenzgänge mit
verpolten Mitteltöner
Da extreme Impedanzverläufe bei Verstärkern zu Stabilitätsproblemen und in wenigen
Ausnahmefällen auch zu Schäden am Verstärker führen können, sollte der Impedanzverlauf
der kompletten Box auch immer beachtet werden. Bild 48 zeigt den Impedanzverlauf der

. Das Minimum liegt bei
sehr verstärkerfreundlichen 5,2 Ohm.
Bild 48 Impedanzgang mit optimierter Frequenzweiche
Letztendlich entscheidet jedoch das klangliche Ergebnis. Am Ende einer jeder
Weichenentwicklung muss sich in ausgiebigen Hörtests zeigen, ob der Klang auch das
hält, was die Messungen und Simulationen andeuten. Nicht selten ergibt sich, dass an der einen
oder anderen Stelle noch leichte Korrekturen an der Weiche vorzunehmen sind. Ursachen hierfür
können im persönlichen Geschmack (
wie hier
bei der leichten Anhebung des Hochtonpegels),
in der Akustik des Wiedergaberaumes oder in sonstigen Gründen zu suchen sein.
Der Aufwand einer individuell entwickelten Frequenzweiche sollte jeder
Lautsprecherentwickler der wirklich gute klangliche Ergebnisse erreichen will immer
auf sich nehmen, denn anderfalls werden erhebliche Klangreserven verschenkt, da auch die teuersten
Chassis nur das wiedergeben können, was ihnen von der Weiche angeboten wird.
Nachbemerkung
Die obiger Darstellung einer Weichenentwicklung ist aus Gründen der Verständlichkeit
bewusst auf die Betrachtung der Wiedergabe auf Achse beschränkt worden.
Selbstverständlich gehört zu einer professionellen Weichenentwicklung
auch die Berücksichtigung der Wiedergabe unter anderen horizontalen
und vertikalen Winkel dazu. Erst wenn die Wiedergabe auch unter anderen
Abstrahlwinkeln ähnlich hohe Qualitäten wie auf der Hauptachse zeigt, wird die
Box auch unter vielen Einsatzbedingungen eine hohe Klangqualität aufweisen.
Die Vorgehensweise für die Optimierung der Wiedergabe außerhalb der
Achse ist die gleiche wie oben für die
Wiedergabe auf Achse dargelegt. Allerdings muss auch meist zwischen
dem Verhalten auf Achse und Winkeln ein Kompromiss hingenommen werden,
wobei i.d.R. das Hauptaugenmerk auf die Wiedergabe auf Achse gelegt werden sollte.
not0815
Stand 31.12.2023
Dokument als PDF
siehe auch
Kleine Bauteilkunde